577 читали · 5 лет назад
Простой оптический датчик своими руками.
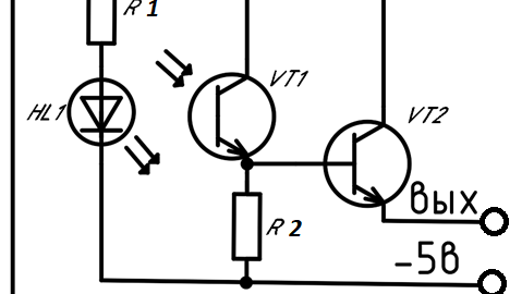
Приветствую всех! Хочу Вам рассказать как сделать простой оптический датчик своими руками, который можно применить для разный самоделок, например, оптический тахометр. Еще он идеально подойдет для готовых платформ на микроконтроллерах...