Arduino для начинающих. Начало работы
Точный вольтметр на Arduino из трех деталей. Часть 2
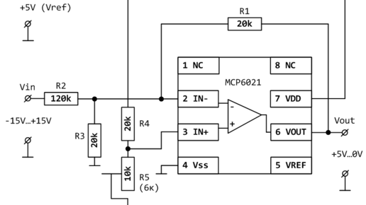
В первой части мы разбирались с задачей на концептуальном уровне. На мой взгляд было не слишком сложно, хотя местами можно запутаться. Основной принцип был: «ослабить и сместить». И это не про политику. :) Если вы вдруг попали сюда из поиска, то настоятельно рекомендую прочитать первую часть статьи. Здесь-же будет практическая часть. Поначалу я было подумал, что надо идти от простого к сложному: взять операционный усилитель (ОУ) и далее с картинками наращивать «мясо», объясняя для чего нужен тот или иной элемент...
Программируем ацп на ардуино.
Всем привет! Сегодня я покажу программу, которая читает значения с аналогово - цифрового преобразователя микроконтроллера и выводит их в монитор порта. Писать код будем в среде ардуино, плату можно использовать любую, так как в меня под рукой была esp8266, я взял её. Итак, приступим. В общей сумме, нам надо написать всего три строчки. Далее я опишу каждую строку по её номеру, которую вы можете видеть на фото. В setup: 3) настраиваем пин с ацп на вход. 4) включаем UART и настраиваем скорость....