39.7 класс, 39 урок, Построение треугольника по трем элементам
Построение трех видов детали
Задание: 1. Построить вид слева. 2. Выполнить необходимые разрезы Чертеж выполняется в программах: ♦ Софт: Компас (.cdw); ♦ Софт: Автокад (.dwg) по заказу; ♦ Софт: pdf, jpeg (с подробными линиями построения) Если Вам нужно начертить в карандаше, можно заказать чертеж в формате jpeg с линиями построения, так Вам будет проще перечертить...
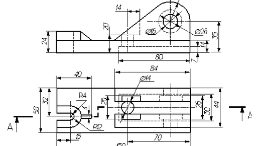
По двум заданным проекциям детали построить три её изображения. Применить вертикальные и горизонтальные разрезы. Нанести размеры.
По двум заданным проекциям детали построить три её изображения.
Применить вертикальные и горизонтальные разрезы. Нанести размеры. Пример выполнения: Порядок выполнения
1. Внимательно ознакомиться с конструкцией детали по двум заданным проекциям детали и определить основные геометрические тела, из которых она состоит.
2. Выделить на листе ватмана соответствующую площадь для каждого из трех изображений. Главное изображение – соединение половины вида спереди с половиной фронтального разреза. На месте вида сверху – соединение половины вида с половиной горизонтального разреза...