Правильное подключение светодиода 10 Ватт 12 вольт Часть 2
Как подключить светодиод к сети 220 Вольт
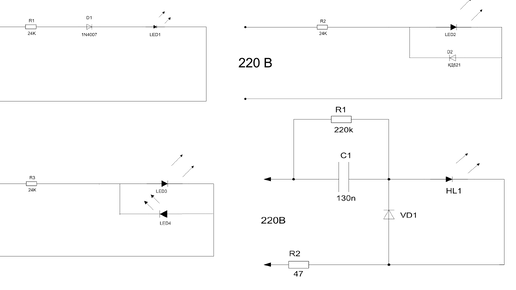
В большинстве случаев светодиоды запитываются от сети 220 Вольт через драйверы (например, обычная светодиодная лампа), но в некоторых случаях необходимо подключить к сети всего лишь один светодиод в качестве индикатора и здесь использование драйвера просто нецелесообразно. В таких случаях используются более простые схемы, о которых мы сегодня с вами и поговорим Особенности подключения к сети 220 Вольт Известно, что драйвер преобразует переменное синусоидальное напряжение в выпрямленное постоянное напряжение и запитывает светодиод малым током с низким напряжением...
Подключаем светодиод правильно
Без светодиодов сегодня никуда, это свет, подсветка, индикация, украшение. Светодиоды буквально везде и встает вопрос, как подключить светодиод или линейку светодиодов правильно. Чаще всего такой вопрос стоит при использовании светодиодов излеченных из различных устройств или при ремонте таких устройств. Светодиод, это практически тот же самый диод, точнее разновидность диода, но с другими характеристиками. И основное отличие светодиода от обычного диода состоит в том, что светодиод способен излучать...