Как определить уровень поддержки и сопротивления: пошаговая инструкция
Пример расчета простого усилителя, но с очень высоким входным сопротивлением.
Дорогие друзья радиолюбители, этот материал предназначен в основном для начинающих разработчиков, но надеюсь, что он будет полезен и для опытных электронщиков.
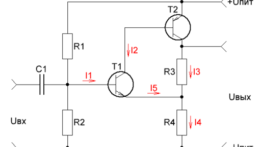
Схема не инвертирующего усилителя с большим Rвх на двух транзисторах...
Упрощенный расчет усилителя высокой частоты (УВЧ). Часть 2.
В предыдущей части, мы определили следующие параметры нашего усилителя: величину максимального значения тока стока iC=1,58А; напряжения насыщения или остаточное напряжение транзистора Uнас=3В; амплитуду выходного напряжение на нагрузке Uвых=13,8В; амплитуду тока основной гармоники сигнала Ic=0,79А; номинальное сопротивление нагрузки Rн=17 Ом Первым делом, отключив от усилителя источник сигнала, с помощью делите напряжения R4, R5 устанавливаем значение тока покоя, равное половине величины максимального стока iC Ток покоя, равный 785мА, установился при значениях R4=1900 Ом, R5=8100 Ом...