945 читали · 3 года назад
Вольтметр и амперметр из... Неонки?
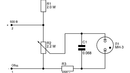
Все мы привыкли, что информация в вольтметрах выводится на стрелочный прибор или цифровой индикатор. Но, оказывается, в качестве устройства отображения можно использовать… обычную неоновую лампочку! Именно это и предложил В.Ф. Шилов в 1975 году. Конечно, точность измерения такими устройствами не особо велика, но, тем не менее, разработка весьма интересна и оригинальна. Сегодня мы с ней познакомимся. Постоянного напряжения Прибор достаточно прост, но, тем не менее, позволяет измерять постоянные напряжения величиной от 50 до 1000 В...
222 читали · 1 год назад
Как не "нагрешить" с погрешностями (шпаргалка для заданий ОГЭ и ЕГЭ по физике на нахождение значения величины с учетом погрешности).
Отклонения результатов измерений от истинных значений носят название погрешностей измерений. Абсолютной погрешностью измерений ∆x называют модуль разности между истинным значением X физической величины и результатом его измерения x: ∆x = |X − x|. При нахождении физической величины различают прямые и косвенные измерения. Прямыми называют измерения, при которых значение физического параметра находят непосредственно из опыта, с помощью тех или иных приборов, регистрирующих этот параметр (измерение длины линейкой, времени секундомером, температуры термометром)...