КОМПАС-3D. Урок №3. Создание чертежа (вид сверху)
Как обозначить покрытие на чертеже
Узнайте, как правильно обозначать покрытие на чертеже детали с помощью соответствующих символов и обозначений. Научитесь указывать толщину покрытия и соблюдать требования к покрытию, чтобы избежать ошибок и повысить качество своей работы. Защитное покрытие деталей - это непрерывный процесс, который передается от поколения к поколению для дальнейшего совершенствования. Как известно, чертеж — это не только графическое изображение и проставленные размеры детали. Например, деталь может быть окрашена или покрытая каким-либо веществом или даже металлом...
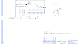
Чертеж конусного калибра-пробки 1:20
Калибр-пробка применяется для контроля отверстий с конусностью 1:20 и базовым диаметром 58 мм. При контроле торец конусного отверстия должен располагаться между торцами калибра и уступа. 3D модель и чертеж...