06:44
1,0×
00:00/06:44
822,8 тыс смотрели · 4 года назад
254 читали · 5 лет назад
От транзистора до фреймворка. Часть 11. Массивы данных
Видео: YouTube Продолжаем разговор об основах построения вычислительной техники. На этот раз рассмотрим массивы. Это структура в памяти компьютера в виде элементов, расположенных друг за другом. В классическом понимании эти элементы однотипные. В отдельных технологиях элементы могут быть разных типов, но это уже совсем другая история. Массивы это чрезвычайно часто используемая абстракция. С помощью них организуются вычисления при обработке практически любых данных. Это голос, изображения, видео и разные поля величин в многомерных координатных пространствах...
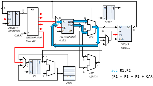
109 читали · 1 месяц назад
Как работает компьютер? Часть 38. Регистры процессора
Предыдущий урок: Как работает компьютер? Часть 37. Регистры — несколько триггеров вместе В предыдущем уроке мы познакомились с регистрами как с объединением нескольких триггеров. Мы выяснили, что регистр хранит несколько бит информации, обычно 8, 16 или 32, и это делает его гораздо более полезным, чем отдельный триггер. Теперь пришло время поговорить о том, какие именно регистры находятся внутри процессора и какую роль они играют. Ведь регистры — это не просто абстрактные коробочки для чисел. У каждого из них есть своё предназначение...