Комплексная передаточная функция цепи. Определить выражения для АЧХ и ФЧХ, построить графики
Основы теории цепей. Частотный анализ пассивной электрической цепи
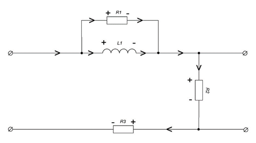
В этой статье мы разберем частотный анализ пассивной электрической цепи, напишем физический и математический анализ цепи и сделаем вывод. В работе нам надо найти АЧХ и ФЧХ характеристики. К АЧХ относится Ku и Zвх, к ФЧХ ϕKu и ϕZвх. Входные параметры R=360 Ом, C=5,6 мкФ, L=2 Гн Для физического анализа будем рассматривать 2 ситуации, когда частота стремится к нулю и когда частота стремится к бесконечности. В случае, когда частота стремится нулю: XL =j*w*L => XL =0. Ток пойдёт по наименьшему сопротивлению к катушке, следовательно входное сопротивление будет равняться 2R...