6 дней назад
7 простых приёмов, которые наконец помогут понять, как раскладывать квадратный трёхчлен на множители
Вы когда-нибудь ловили себя на мысли: почему одни одноклассники щёлкают квадратные трёхчлены как семечки, а у других — ступор и пустота в голове? «Что за магия? Почему у меня не выходит?» — спрашивал меня как-то брат, готовясь к контрольной. А на деле магии нет — есть понятные шаги, которые позволяют решить задачу в 2 раза быстрее и без паники. ✔ Наша группа ВК заходите и подписывайтесь: 👉 ВК Учись Легко ✔ Наш Telegram-канал с новостями, подписывайтесь: 👉 Учись Легко ⋮⋮⋮⋮⋮⋮⋮⋮⋮⋮⋮⋮⋮⋮⋮⋮⋮⋮⋮⋮⋮⋮⋮⋮⋮⋮⋮⋮⋮⋮⋮⋮⋮⋮⋮⋮⋮⋮⋮⋮⋮⋮⋮⋮⋮⋮⋮⋮⋮⋮⋮⋮⋮⋮⋮⋮⋮⋮⋮⋮⋮⋮⋮⋮⋮⋮⋮⋮⋮⋮⋮⋮⋮⋮⋮⋮⋮⋮⋮⋮⋮⋮⋮⋮⋮⋮⋮⋮⋮⋮⋮⋮⋮⋮⋮⋮⋮⋮⋮⋮⋮⋮⋮⋮⋮⋮⋮⋮⋮⋮⋮⋮ 🎓...
174 читали · 3 года назад
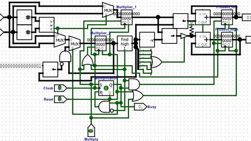
Проект CPU-1. Умножение и деление, часть 1.
Как и обещал, сегодня расскажу про блоки умножения и деления, которые я сделал для CPU-1 несколько дней назад. Но перед этим опишу принципы умножения и деления двоичных чисел для тех, кто их не знает. Честно говоря, я и сам их не знаю полностью, по крайней мере, я не знаю, как работать со знакомыми числами. Но с этим можно будет разобраться позже, а пока разберёмся с беззнаковыми. Умножение. Как же мы умножаем? Перед тем, как делать схему для умножения двоичных чисел, разберёмся с тем, как мы умножаем десятичные числа...