Как преобразовать постоянный ток в переменный | Преобразователь постоянного тока в переменный | 12 В постоянного тока в 220 В переменного тока
Как преобразовать постоянный ток в переменный
Сегодня я хочу ответить на вопрос одного из моих подписчиков. Как преобразовать постоянный ток переменный?
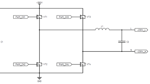
Когда мы преобразовываем из переменного в постоянный мы используем выпрямитель, Для преобразования постоянного тока в переменный применяют специальные электронные силовые устройства, называемые инверторами. Чаще всего инвертор преобразует постоянное напряжение одной величины в переменное напряжение другой величины.
Таким образом, инвертор — это генератор периодически изменяющегося...
Как получить 12 вольт из 220: пошаговая инструкция для начинающих
Содержание статьи: 12 Вольт в быту получили наибольшее распространение. Данное напряжение служит для питания светодиодных лент и роутеров, а также различных других электроприборов. Как правило, к данным приборам идёт понижающий трансформатор, а простыми словами говоря, блок питания на 12В. Такой блок питания умеет не только понижать напряжение с 220 Вольт до 12, но и делать его постоянным. Для этих целей в блоке питания стоит диодный мост и плата, которая занимается выравниванием и стабилизацией напряжения...