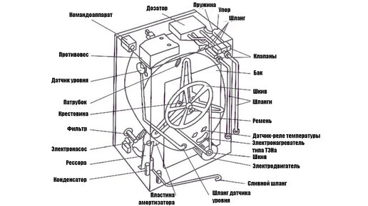
Из чего состоит стиральная машина?
Невозможно представить современный дом без стиральной машины - она значительно облегчает стирку большого количества одежды. А с развитием технологий у стиральных машин стали появляться все более продвинутые и удобные функции...
Из чего же состоит стиральная машина??
Несмотря на большое разнообразие моделей от различных производителей, устройство автоматических стиральных машин практически одинаково и мало чем отличается друг от друга. Плата управления «Мозговой» центр любой стиральной машины — электронная плата. Именно она управляет всеми процессами, происходящими в машине во время стирки. Именно к ней «стекаются» все параметры и показания датчиков, и именно от нее поступают команды исполнительным механизмам машины. В зависимости от исполнения модуль электроники...