• Главная
  • Подписки
  • Найти
  • Новости
  • Статьи
  • Видео
  • Ролики
  • Видеоигры
  • Детям
Всё о ДзенеВакансииДзен на iOS и Android
ВсёНовостиТемыКаналыВидео и РоликиСтатьи и Посты
Общество
21:48
1,0×
00:00/21:48
GARAGE-28 (VIKTORIUS)
1 год назад
РАСПАКОВКА ЗАДНИЙ ФОН АКВАРИУМА ФЛЕШ АРДУИНО ПДУ УКАЗАТЕЛЬ ИНФРАКРАСНЫЙ ПРИЁМНИК ДЕТЕКТОР НАПРЯЖЕНИЯ
Радиолюбитель
5 лет назад
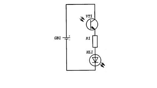
Избавляемся от слежки! Простейший инфракрасный детектор, который сделает любой школьник!
В наши дни существует множество камер, которые могут снимать в темноте, используя инфракрасное излучение. Наш детектор служит для обнаружения любых посторонних систем видеонаблюдения, даже если их не видно...
01:01
1,0×
00:00/01:01
Лучшее с АЛИэкспресс
1 год назад
Пассивный инфракрасный датчик движения, 6 светодиодов, фонарик, ночник, индукционный беспроводной детектор
Также ищут
виктора франкенштейнаexcel ячейкитакер этоэмпиреях этофайлы это
4158704208.967.1774766649454.46551