5806 читали · 5 дней назад
Многошкальный приемник высшего класса из СССР — Ленинград-010
В истории отечественной радиоаппаратуры существует несколько моделей, которые и по сей день вызывают неподдельный интерес у коллекционеров и ценителей качественного звука. Одной из таких культовых моделей является стереофонический радиоприёмник «Ленинград-010-стерео», выпуск которого был налажен Ленинградским заводом «Радиоприбор» начиная с 1979 года. Этот аппарат представлял собой не просто устройство для приема радиопрограмм — он был олицетворением высокого статуса своего владельца, демонстрировал...
694 читали · 3 недели назад
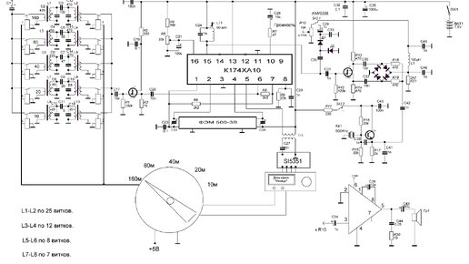
Связной КВ-приемник: взгляд из начала 60-х.
В журнале Радио №12 а 1963 год была помещена статья А. Портнягина (UA9CC) о требованиях, предъявляемых к современному (на тот момент) радиолюбительскому КВ-приемнику. Как пишет в начале статьи автор, наиболее распространенной к тому времени структурой построения ламповых приемников был такой: Два резонансных каскада УВЧ, перестраиваемые синхронно с гетеродином, обеспечивали избирательность по зеркальному каналу. Избирательность по соседнему каналу обеспечивал кварцевый фильтр или ЭМФ. Затем - два...