ВЧ-фильтры. Часть 2. ФНЧ ФВЧ. Начинающим радиоконструкторам. Ликбез.
ФНЧ и ФВЧ для всеволнового приемника
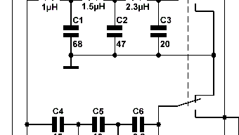
На сайте https://vpayaem.ru/, представлена схема многодиапазонного приемника, работающего со всеми видами модуляции(AM, FM, SSB). На рис 1. приведена схема ФВЧ и ФНЧ радиоприемника. Намоточные данные катушек были определены с помощь программы Coil32. Для ФВЧ катушки мотались на оправке 5мм, для ФНЧ - 12мм. Ввиду отсутствия каркасов - катушки сделал бескаркасные. Для уменьшения влияния фильтров друг на друга, по входу было добавлено дополнительное реле(на рис.1 отсутствует). Оси катушек размещены взаимно перпендикулярно...
❓Что такое фильтры ФНЧ/ФВЧ и зачем они нужны в усилителях?
Разбираем по-простому: 🔴ФНЧ — фильтр низких частот (Low Pass Filter) Пропускает только низкие частоты (бас), отсекая всё лишнее. Идеально для сабвуфера, чтобы он не "играл" ненужные высокие звуки. 🔴ФВЧ — фильтр высоких частот (High Pass Filter) Пропускает только высокие и средние частоты, отсекая низкие. Подходит для передней/коаксиальной акустики, чтобы не было искажений от баса...