• Главная
  • Подписки
  • Найти
  • Новости
  • Статьи
  • Видео
  • Ролики
  • Видеоигры
  • Детям
Всё о ДзенеВакансииДзен на iOS и Android
ВсёНовостиТемыКаналыВидео и РоликиСтатьи и Посты
Общество
06:55
1,0×
00:00/06:55
Колян 78
5181 смотрели · 4 года назад
ФМ модулятор для авто
Старый радиолюбитель
4017 читали · 5 лет назад
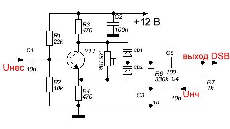
Модуляция и модуляторы 3.
Продолжение статьи, в которой описывались модуляторы для получения DSB. Необычная схема модулятора на варикапах.
07:18
1,0×
00:00/07:18
Доктор Борисов
6209 смотрели · 6 лет назад
Цитофлавин: инструкция по применению
Также ищут
почему триколор не загружает каналыситуации социального опыта как элемент процесса воспитаниядля чего доломитовая мука на дачедля чего прописывают элькаркак должны приходить пособие по безработице
2795507249.1659.1765345477184.91366