2041 читали · 4 года назад
Источник опорного напряжения
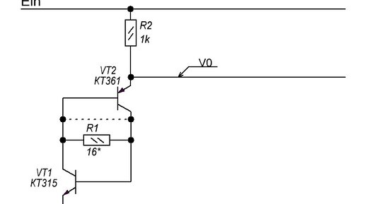
Для одной конструкции мне возможно потребуется несколько источников опорного напряжения. Конечно, самый простой способ — использовать TL431. Однако в нужном количестве их у меня нет, зато есть старые КТ315/361. Ток холостого хода особо не лимитирован, поэтому можно бы использовать и стабилитроны, но решил посмотреть на параметры схемы источника опорного напряжения, изображенной на рис. 1. От стандартной схемы транзистора, в котором в качестве стабилизатора используется переход база-эмиттер (на схеме такое включение показано пунктиром) она отличается наличием резистора R1...
170 читали · 6 лет назад
Низковольтный источник опорного напряжения. Для новичков и опытных радиолюбителей.
В электронике есть небольшая проблема получить получить низковольтное опорное напряжение порядка 1 вольта. Один из способов использование потенциала открытого перехода 0,5-0,7 вольт. Хочу предложить альтернативный источник опорного напряжения. Почему для новичков и опытных ? Потому что новички могут экспериментировать при отсутствии необходимых деталей и схем, И для них важна простота реализации. А опытным, тем которые знают и понимают радиотехнику и электронику, можно и похулиганить или сократить время при макетировании или при решении утилитарных задач...