4404 читали · 5 лет назад
Не многие знают об этом устройстве... Реле приоритета.
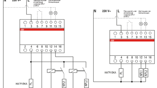
Это может показаться странным, но многие электрики понятия не имеют, что такое реле приоритета нагрузки и для чего оно используется. Сегодня я попытаюсь объяснить, что это такое и как применяется. Допустим, есть одна электрическая цепь с двумя устройствами, которые потребляют много энергии. Когда одно из устройств работает, ничего не происходит, но когда включаются оба устройства одновременно, нагрузка настолько высока, что срабатывает защита по току. Например выбивает даже правильно подобранный по току защитный автомат...
433 читали · 2 года назад
Как определиться с выбором реле контроля напряжения и для чего оно предназначено?
Реле контроля напряжения - это электронное устройство, которое контролирует напряжение в электрической сети и выполняет определенные действия при превышении или понижении заданных пределов. Назначение реле контроля напряжения состоит в том, чтобы контролировать уровень напряжения в электрической сети и выполнять определенные действия при превышении или понижении заданных пределов. Это позволяет обеспечить безопасность и надежность работы электрических систем. Реле контроля напряжения широко используется...