Схема бесконтактного детектора переменного напряжения. Практическая электроника: https://electrik.info/main/praktika/
Детектор перехода сетевого напряжения через 0
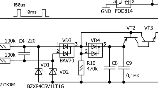
Предлагаю рабочий вариант схемы выделения перехода сетевого напряжения через нулевой уровень. Минимальное тепловыделение на элементах схемы было основным требованием для реализации. Изучая данный вопрос, сначала ознакомился со статьёй: “Детектор перехода сетевого напряжения через ноль с минимальным количеством высоковольтных компонентов”. Это перевод AlexAAN по заказу РадиоЛоцман публикации автора Peter Demchenko. С оригиналом статьи на английском также можно ознакомиться по ссылке. Вариант схемы,...
Детектор перехода переменного напряжения через ноль
В данном проекте представлена схема устройства, определяющего момент перехода напряжения переменного тока через ноль. Дополнительно на выходе устройства формируется точное постоянное напряжение, пропорциональное величине выпрямленного переменного напряжения. Возможные применения для таких схем – контроллеры двигателей переменного тока, контроллеры ламп переменного тока, контроллеры диммеров переменного тока, бытовая техника. Схема выдает сигнал перехода через ноль переменного напряжения в диапазоне от 90 В до 264 В...