Супергетеродин. Для начинающих. Что это такое и как работает такой радиоприёмник. Ликбез.
Что такое супергетеродин — простыми словами
Супергетеродинный радиоприемник представляет собой сложное электронное устройство, в котором используется принцип преобразования частоты принимаемого сигнала. Эта технология была разработана в начале XX века и до сих пор остается основой современной радиоприемной аппаратуры. В отличие от приемников прямого усиления, супергетеродинная схема обеспечивает более высокие показатели чувствительности и избирательности. Ключевая особенность работы супергетеродина заключается в двойном преобразовании частоты...
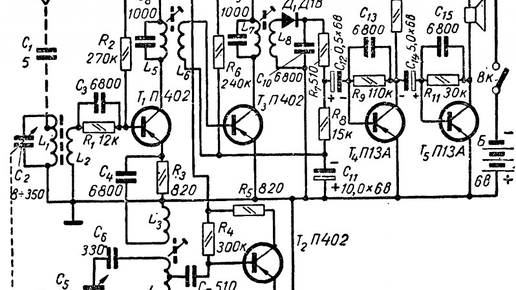
СУПЕРГЕТЕРОДИН – он всегда СУПЕР!!!
Здравствуйте мои уважаемые читатели! Заканчивается летняя загрузка, появляется время для творческой работы. Порядок в «отвоёванной» территории ( в сарайчике ) практически сделал… Перебирая старые блокнотики и тетрадки, нашел старые записи про супергетеродины и трансиверы с расчётами. Что такое приёмник супергетеродин, надеюсь, рассказывать не надо. Хочу только заострить внимание моих читателей на отличии простого супергетеродина ( одно преобразование частоты ) и более «продвинутого» или профессионального супергетеродина с несколькими преобразованиями частоты...