Я РЖАЛ ДО СЛЕЗ 5 Минут ЛУЧШИХ Русских Приколов 2022 Смешные видео - Лучшие Лютые Приколы
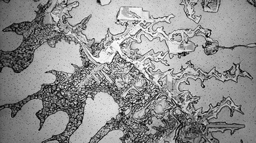
Как под микроскопом выглядят слёзы скорби, надежды, радости и других эмоций
Каждая слезинка несет в себе отпечаток человеческих переживаний. Слезы, вызванные смехом, сильно отличаются от тех, что вызваны обидой.
Откуда берутся слезы и можно ли ослепнуть, если плакать слишком много: научное объяснение
Слезы — это универсальный язык человеческих эмоций, понятный без перевода. Они сопровождают нас с первого крика и до последнего вздоха. Но что скрывается за этими солеными каплями? Как устроена сложная гидравлическая система нашего тела и можно ли действительно «выплакать все слезы»? Давайте заглянем внутрь этого удивительного физиологического процесса. Слезная жидкость — это sophisticated коктейль, который на 99% состоит из воды. Но оставшийся 1% — это настоящий эликсир жизни для наших глаз. Интересный факт: Состав слез меняется в зависимости от их причины...