222 читали · 2 года назад
30 лучших генераторов для дома – рейтинг 2025
Вместе с развитием технологий и повышением требований к энергетической надежности, все больше людей обращают внимание на возможность установки генераторов, которые в случае аварийного отключения электроснабжения обеспечивают непрерывную работу различных устройств в доме. В данной статье мы сравним по ряду параметров лучшие генераторы для домашнего использования, которые являются оптимальным выбором на рынке в 2025 году. Наша команда провела исследование, анализируя технические характеристики, надежность,...
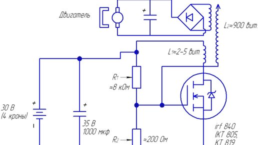
28,7 тыс читали · 5 лет назад
Бестопливный генератор. Обзор 4 известных БТГ, их схемы и принцип работы
Получение бесплатной энергии – проблема, возникшая одновременно с открытием электричества. Но существует ли какое-то продвижение в данном вопросе спустя без малого полтора века?