381 читали · 1 год назад
Строю фонокорректор на 6Ф12П. Часть 1 (Разработка схемы)
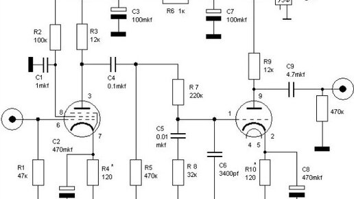
Здравствуйте! Решил собрать усилитель-корректор на 6Ф12П, лампочка интересная тем, что позволяет получить достаточное усиление при двухкаскадной схеме, поэтому можно собрать компактный, минималистический аппарат. В интернете есть несколько схем корректоров на этой лампе, наиболее известные - Манакова, Шалина и Сергеева. За основу своего взял схему Сергея Сергеева, вот она: В процессе моделирования работы схемы в Microcap в схему были внесены изменения. Авторская схема обладает избыточным усилением +60дБ, это перебор, поэтому схема переработана...
3999 читали · 7 лет назад
Усилитель-корректор для винила
В настоящее время виниловые диски продолжают пользоваться популярностью в определённых кругах сообщества «меломанов». И это происходит не только из-за ностальгии по былым временам. «Механический» формат звука действительно ощутимо отличается от цифрового на слух, но в худшую или в лучшую сторону — это уже чисто субъективные особенности слушателя и, как говорится — личное дело каждого. В продаже имеется немалое количество проигрывателей таких пластинок, причём цены на модели известных, серьёзных производителей довольно не низкие...