ПРАВИЛЬНАЯ регулировка ЗАЗОРОВ КЛАПАННОГО механизма ВАЗ классика (LADA 2101-07)
Интересные статьи. Системы АРУ на транзисторах. (Для каскодного УПЧ).
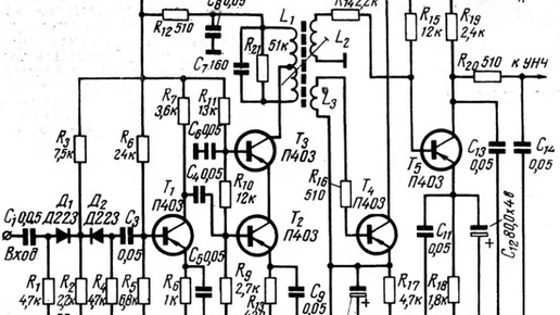
Сегодня собирал каскодный усилитель, а в перерывах листал схемы в Интернете и наткнулся на интересную статью инженера И. Василькевича (предположительно это Игорь Викторович Василькевич, в последствии к.т.н.), опубликованную в журнале Радио, №4 за 1964 год. В глаза бросилась схема с каскодным включением транзисторов. Но речь в статье шла об эффективной системе АРУ для каскодного УПЧ. Обычно АРУ в каскодных схемах осуществляется путем изменения смещения на базе одного из транзисторов (чаще первого) каскода...