Один день. из мастерской. Струбцины, стол, стеллаж, крепления
Струбцина за 10 мин
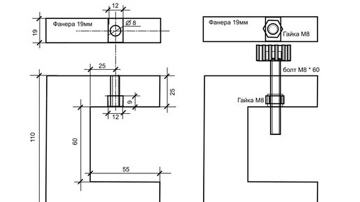
Срочно понадобилось несколько струбцин для крепления направляющих к столу с циркулярной пилой. Под рукой оказался кусок фанеры толщиной 19мм. Нарисовал эскиз и дальше, на той же циркулярке, решил попробовать. Нарезал заготовку 110*90мм, далее по чертежу. Просверлил отверстие 8 мм, вырезал поперечный паз 12 мм, глубиной 8-9 мм...
Обзор бутылкорезов. 8 вариантов.
Из ПЭТ бутылок можно сделать огромное множество поделок. Наши умельцы придумали как делать из бутылок веревки, канаты, плести сетку и многое другое. Но для изготовления таких изделий бутылку нужно распустить на пластиковую ленту или нить. Распускаются бутылки при помощи бутылкореза. В этой статье вашему вниманию предлагается обзор 8 вариантов бутылкорезов которые можно изготовить своими руками. Начнем обзор с самых простых вариантов, а самые интересные бутылкорезы будут описаны в конце статьи. 1...