21,7 тыс читали · 6 лет назад
Описание схемы стабилизатора тока, как универсального зарядного устройства
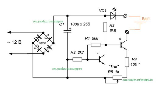
В радиолюбительской практике часто возникает необходимость иметь не только стабильное напряжение, но и ток. Например, в устройствах для зарядки аккумуляторов, или же при построении схем защиты от короткого замыкания, требуется ограничить максимально возможный ток нагрузки на определённом его уровне. Представленная здесь простая схема представляет собой именно такой стабилизатор тока. При изменении параметров и использовании (подборе) различных электронных компонентов, на основе этой схемы можно собрать стабилизатор тока с необходимыми вам характеристиками...
7017 читали · 2 года назад
Простое зарядное устройство для пальчиковых батареек
Содержание: Зарядное устройство для батареек Сегодня от пальчиковых батареек работает множество устройств в доме, начиная от часов и заканчивая тонометром. Соответственно вся эта техника требует время от времени замены батареек, что влечёт за собой увеличение финансовых расходов. Однако если сделать простое зарядное устройство для батареек, то получится существенно продлить срок их службы. Следует заметить, что далеко не любые пальчиковые батарейки можно заряжать. Некоторые из них требуют предварительного восстановления...