Лабораторный блок питания KUAIQU SPS-C3010– источник стабилизированного напряжения и тока
Источник опорного напряжения стабилизирует втекающий ток
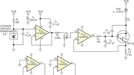
Аналоговым измерительным схемам для долговременного тестирования пассивных компонентов, таких как резисторы с допуском 0.1% или белые светодиоды высокой интенсивности, часто требуются стабильные генераторы постоянного тока. Используя два операционных усилителя и источник опорного напряжения, можно разработать схему, обеспечивающую втекающий в нагрузку стабилизированный ток, регулируемый в диапазоне 0 мА до 0.99 А. Такая схема показана на Рисунке 1. Ток нагрузки нечувствителен к колебаниям напряжения питания...
Подборка принципиальных схем лабораторных источников питания и стабилизированных регуляторов напряжения
Наверное каждый искал подходящую для себя схему лабораторного БП, - простую, надежную, такую, что бы на все случаи жизни. Может быть, и сейчас кто-то ищет.
В данном обзоре содержится подборка схем ЛИП разных производителей и авторов, - тех, чьи схемы (судя по описаниям на форумах) были повторены неоднократно. В схеме ЛИП на рис.1 замена ОУ на иные типы нежелательна, т.к. граничное напряжение питания типовых общего применения ОУ не превышает +/-15В. Спецификация на MC34071 здесь https://www.onsemi...