Индикатор напряжения из Китая/Voltage detector from China
Транзисторный индикатор напряжения
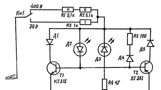
Схема индикатор напряжения Транзисторный индикатор напряжения, схема которого представлена в статье дает возможность проверить наличие постоянного или переменного напряжения между двумя точками испытуемого электротехнического устройства в пределах от 3-30В и 30-380В...