26 тыс читали · 6 лет назад
Радиолампы СССР. Часть 1. Любимая лампа радиолюбителей ГУ-50
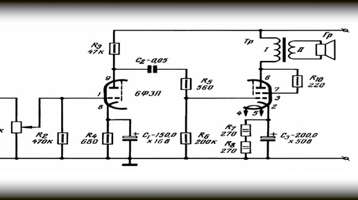
Электронная лампа, радиолампа - это электронный вакуумный прибор, работающий за счет управления потоком электронов, движущихся в вакууме между электродами...(инфа с википедии) Ндаа уж. Загнул так загнул, скажете вы. Но не волнуйтесь, я не собираюсь загружать вас техническими терминами, которые в принципе вам и на... не нужны. Подумал просто на досуге, а не начать ли мне цикл познавательных публикаций "Радиолампы СССР"!? Не знаю, как Вам, а мне такая тема очень нравится. Всегда было интересно, из...
06:44
1,0×
00:00/06:44
947,4 тыс смотрели · 4 года назад