• Главная
  • Подписки
  • Найти
  • Новости
  • Статьи
  • Видео
  • Ролики
  • Видеоигры
  • Детям
Всё о ДзенеВакансииДзен на iOS и Android
ВсёНовостиТемыКаналыВидео и РоликиСтатьи и Посты
Квартира и дом
02:42
1,0×
00:00/02:42
Qo'lbola
69,4 тыс смотрели · 2 года назад
Узлы, которые нужно знать
FaultAn.ru
485 читали · 5 лет назад
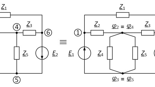
Расчёт электрических цепей по методу узловых потенциалов: методика
Приведена методика расчёта электрических цепей по методу узловых потенциалов. Приведён пример расчёта с применением скрипта Matlab.
06:51
1,0×
00:00/06:51
Капуки Девочки
137,6 тыс смотрели · 7 лет назад
Маша Капуки и игрушки на пляже. Видео на море для детей.
Также ищут
как правильно работать клеевым пистолетомпанно из джута на стену своими рукамикак работать с террасной доскойдля зарядки телефона аккумуляторв чем измеряется мощность бензопилы
2268503620.1794.1767255995196.40991