06:44
1,0×
00:00/06:44
694,1 тыс смотрели · 4 года назад
16,4 тыс читали · 4 года назад
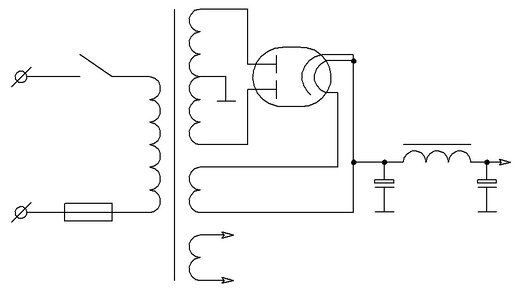
Блок питания для лампового усилителя
Любой ламповый усилитель нуждается в источнике питания. Как правило, требуется от 2 до 4 сотен вольт постоянного тока для питания анодноых цепей, и 6,3 вольт для питания накалов ламп. Конечно же, есть лампы, которые требуют более высокого напряжения анодного питания. Существует несколько технических решений, и до сих пор продолжаются споры о том, какое из них лучше. Источник питания лампового усилителя можно условно разделить на три части, и каждую из них мы разберём отдельно. 1. Трансформатор Должен иметь одну или несколько низковольтных вторичных обмоток для питания накалов ламп...
24 тыс читали · 10 месяцев назад
Современный ламповый усилитель Сергея Темникова
Очень частый вопрос от читателей канала: "Посоветуйте несложную схему лампового усилителя". Вот нет у меня универсального ответа на эту просьбу. Сборка ламповой аппаратуры несколько специфична и желательно сначала изучить основы. На днях читатель канала поделился очень оригинальной конструкцией лампового усилителя. Пожалуй, повторить эту схему по плечу даже начинающему радиолюбителю. Вот рассказ автора конструкции, Сергея Темникова: С появлением совершенной микроэлектроники, интерес к ламповым усилителям не угас...