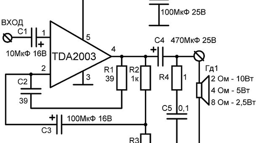
#28 Собираем простую схему, звуковой усилитель на TDA 2003 для новичков.
Радиоконструктор 011 - Усилитель мощности низкой частоты на микросхеме TDA2003 (без динамика)
Вариант No11 "УНЧ на tda2003". Вариант полностью аналогичен набору No6, за исключением динамика и в более сокращенном варианте описания, что позволило его упаковать в маленькую коробку (радиатор для микросхемы входит в набор)...
Простой УНЧ на TDA2003
Сегодня мы будем собирать очень простой моно усилитель звука на микросхеме TDA2003.
Микросхему TDA2003 можно выпаять из старой не рабочей магнитолы или купить на радиорынке. Как и остальные детали. Замечу, если собрать два таких усилителя, можно использовать как стереоусилитель...