Разбираем схему дорогого петличного микрофона Sony ECM-77B
SONY HST – 49 B. ЧАСТЬ ВТОРАЯ.
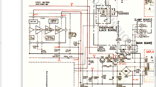
SONY HST – 49 B. ЧАСТЬ ВТОРАЯ. ИССЛЕДОВАТЕЛЬСКАЯ. Ну что ж, как я обещал владельцу аппарата, приступил к «посмотреть аппарат» на предмет оживления. Что удручало с первых моментов осмотра, так это то, что в аппарате отсутствовали разъёмы между платами. Все соединения выполнены навивкой провода на штыри, впаянные в плату, что делало невозможным любой ремонт в принципе, тем более что в некоторых местах то провод, то штырь имели зелёные следы коррозии (результат «домашнего хранения»). Платы расположены...
Sony TC-136SD: Винтажная кассетная дека с душой аналоговой эпохи
В мире аудиофилов и коллекционеров винтажной техники имя Sony всегда ассоциируется с высочайшим качеством и инновациями. Среди легендарных продуктов японского гиганта особое место занимает кассетная дека Sony Stereo Cassette-Corder TC-136SD — устройство, которое воплощало передовые инженерные решения середины 1970-х годов. Давайте совершим путешествие во времени и вспомним, чем же так примечательна эта модель. Sony TC-136SD выпускалась приблизительно с 1975 по 1978 год. Это был не просто магнитофон,...