06:44
1,0×
00:00/06:44
690,3 тыс смотрели · 4 года назад
637 читали · 3 года назад
Простые инверторы с чистой синусоидой (часть IV)
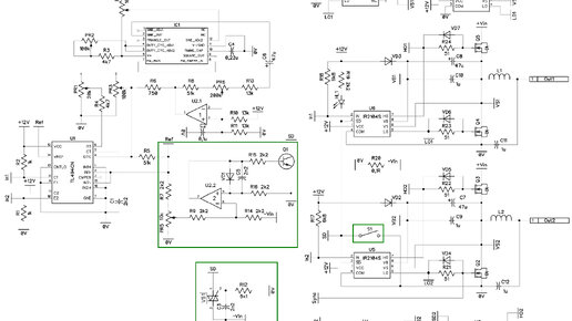
Схема инвертора (принципиальная схема на рис.1), описанного в первой части статьи, может быть модифицирована за счет - ввода в схему инвертора защитных узлов - повышения амплитуды синусоидального напряжения на выходе инвертора. В модифицированной схеме инвертора (рис.9 или упрощенная схема на рис.10) в качестве драйверов MOSFET могут быть использованы микросхемы IR2104 (U5, U6) или IR2186 (U7, U8) в корпусах (DIP-8/SOIC-8) - вместо IR2110/IR2113 (DIP-14/SOIC-14). Это может упростить компоновку...
8 месяцев назад
Как сбросить настройки саундбара Mackie до заводских по умолчанию
Если посмотрите текст ниже, то сможете узнать как легко сбросить все настройки саундбара Mackie до заводских по умолчанию через приложение и кнопками. Дополнительно полезные способы как можно быстро и просто вернуть назад начальные настройки саундбара Mackie меню телевизора и откатить до состояния из магазина. Для каждой модели саундбара Mackie нужны только свои способы сброса настроек до заводских. Для получения детальной пошаговой инструкции конкретно для вашего саундбара ищите только свою модель Mackie в списке дальше...