как увеличить громкость звука через программу на пк. Как усилить звук на ПК или ноутбуке
Усилитель своими руками (DIY). Часть 1, цифровые регуляторы громкости
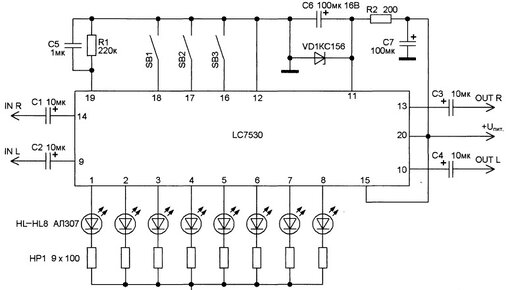
Несмотря на обилие звуковоспроизводящей аппаратуры на прилавках магазинов, некоторые из радиолюбителей-меломанов предпочитают конструировать ее самостоятельно и по своему вкусу. Этот цикл предназначен как раз для таких "любителей проблем", как сказал бы тот, кто на всех форумах по этой тематике безапелляционно заявляет "легче купить". Да, легче, но мы не ищем легких путей и начнем цикл с микросхем цифровой регулировки громкости. LC7530 Микросхема представляет собой двухканальный цифровой регулятор громкости с кнопочным управлением...
Простой усилитель звука с удобной регулировкой громкости
Данный усилитель прекрасно подойдёт для изготовления самодельных компьютерных колонок или небольшой домашней стереосистемы. Микросхема TDA7057AQ, которая будет его основой, уникальна тем, что имеет удобную возможность регулировки громкости...