923 читали · 6 лет назад
Автомат переключения видеокамер переднего и заднего вида
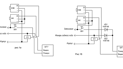
Для повышения безопасности движения большинство современных автомобилей оснащают камерами заднего вида. Но сегодня в продаже можно встретить и комплекты фронтальных видеокамер, задача которых — помочь водителю безопасно выполнить парковку автомобиля в условиях ограниченного свободного пространства спереди. Так как камера заднего вида начинает работать при включении задней передачи и должна пользоваться приоритетом, для правильной совместной работы двух видеокамер на один монитор требуется соблюдать определённые правила...
2 года назад
30 лучших видеорегистраторов с радар-детектором – рейтинг 2025
Все больше автолюбителей стремятся обеспечить себя дополнительной защитой на дороге, особенно при встрече с различными видами транспортных нарушений. В этом контексте лучшие видеорегистраторы с радар-детектором зарекомендовали себя как надежное и эффективное средство обеспечения безопасности и соблюдения правил движения. Комбинированные модели представляют собой синтез современных технологий в области видеонаблюдения и радиочастотного контроля. Они способны не только записывать качественные видеофайлы...