1548 читали · 2 года назад
Revit: технологические принципиальные схемы
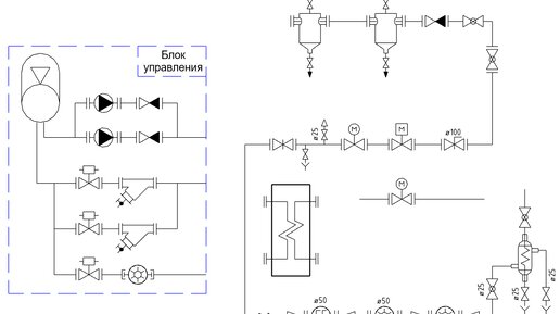
Расскажу, как создавать принципиальные схемы для технологии в Ревите. Отдельного инструмента для таких схем в программе нет, но можно воспроизвести методику, как в обычном Автокаде, но при этом получить и некоторые плюсы от БИМа — автоматический сбор данных в спецификацию. Концепция работы от Автодеска В Ревите есть отдельная панель «Совместная работа в P&ID». P&ID — piping and instrumentation diagram, по-русски это значит технологическая схема труб и КИПиА. То есть то, что мы обычно называем принципиальной схемой...