Замена ламповой подсветки на светодиодную ленту телевизор BBK LT1904S
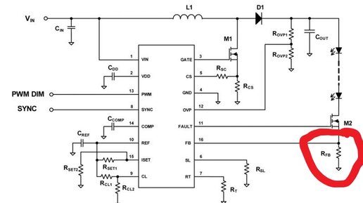
Как уменьшить ток подсветки в ТВ "BBK"
Поступил в ремонт телевизор BBK 32LEM-1019\T2C с неисправностью "ЗВУК ЕСТЬ -ИЗОБРАЖЕНИЯ НЕТ" Состав телевизора: PSU: интегрирован в MainBoard Panel: C320X14-E12-H LED driver: MP4012 MainBoard: juc7-820-00130484-hlt57ej Диагностика показала неисправность подсветки телевизора: Подсветка данной модели телевизора состоит из 2-х лент по 7 светодиодов. Светодиоды 6V типа-размера 30*30 10000К-15000К. В одной ленте один неисправный светодиод. Произведена замена светодиода подсветки об этом есть видео...