РАЗБИРАЕМСЯ КАК ПОДКЛЮЧИТЬ КОНТРОЛЛЕР ДЛЯ СОЛНЕЧНОЙ ПАНЕЛИ !
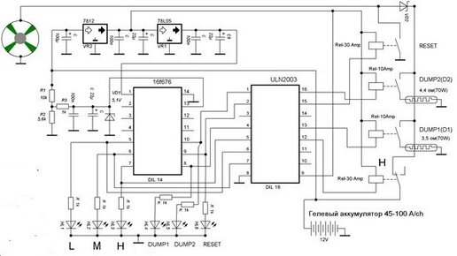
Контроллер для ветрогенератора
Ветрогенератор – это техническое устройство, служащее для производства электрической энергии путем преобразования кинетической энергии ветра. В состав комплекта оборудования, обеспечивающего работу ветровой...