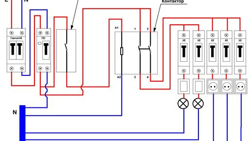
Как подключить контактор. Подробно разбираем схему подключения
Мастер-выключатель. Тушим всё и сразу
Допустим, что ты уже оделся и собрался выходить из уютной квартиры или даже дома на улицу. В спешке, как это обычно бывает, ты забыл выключить светильники, утюг, фен, или, допустим, паяльник. И уже находясь от своего дома на приличном расстоянии, ты вспоминаешь и, бросая все дела, стремишься домой. Разумеется, что такие неприятные ситуации могут произойти с каждым из нас. Однако, есть один, очень удобный способ, как отключить все электроприборы сразу. Для этого нужно установить мастер-выключатель у входа...