Лада Калина программирование ключа для открывание дверей с одного нажатия кнопки
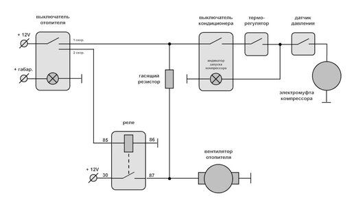
Нива Урбан - переключатель Калина в Ниву с кондиционером
___________________________________________________
ДОПОЛНЕНИЕ СПЕЦИАЛЬНО ДЛЯ ДЗЕНА (август 2024 года).
Объясняю гадящим троллям и умникам желающим меня приземлить.
Все мои записи на Дзене, я публикую не ради продвижения и саморекламы.
Это "резервные копии" моих записей на DRIVE2 (ссылка), где приветствуются разного рода доработки и эксперименты увлечённых людей.
Потому и стиль записей именно такой.
Я стараюсь отвечать ВСЕМ (даже троллям) и принципиально ни чьи даже самые идиотские и гадкие посты НЕ ЗАТИРАЮ...
Значение кнопок на пульте кондиционера
Мы уже рассказывали, какие функции (как основные, так и дополнительные) бывают в современных кондиционерах. Каждой функции соответствует определённая кнопка на пульте управления, но дело осложняется тем, что у разных производителей они по-разному обозначаются. В этой статье мы постарались собрать исчерпывающие обозначения на пультах для сплит-систем. Включение и основные режимы Самая главная кнопка на пульте любого кондиционера – это кнопка включения («ON/OFF»). Обычно она крупная, иногда даже цветная,...