01:55
1,0×
00:00/01:55
578 смотрели · 3 года назад
1804 читали · 5 лет назад
Kenwood TS-2000
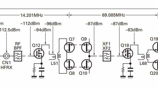
Давайте рассмотрим схему приемной части трансивера TS-2000, как более современного по сравнению с TS-570.
889 читали · 1 год назад
Промышленная схемотехника. Kenwood TS-570D.
Этот трансивер начал выпускаться в январе 1997 года.Он позиционировался как трансивер среднего ценового уровня, хотя более 1500 евро в начале 2000-х это не мало. Но характеристики, а в особенности сервисные возможности, у этого небольшого по размерам аппарата были неплохие. Полоса по приему от 500 кГц до 30 МГц, передача - во всех любительских диапазонах. Режимы работы: CW, SSB, AM, FM, FSK. Чувствительность в режимах CW, SSB и FSK от 4 мкВ в диапазоне 0,5 - 1,7 МГц до 0,13 мкВ в диапазоне 24.5-30 MHz...
05:51
1,0×
00:00/05:51
32 тыс смотрели · 4 года назад