143. Усилители звука - это просто! Усилители звука с нуля для начинающих
Усилитель на микросхеме К157УД1.
Здравствуй дорогой друг, в этой пилотной статье из рубрики "Начинающим" я расскажу тебе, как построить очень простой усилитель для экспериментов с самодельными приёмниками, которые мы будем конструировать в будущем. В качестве усилителя для первого повторения рассмотрим УМЗЧ на микросхеме, описанный в книге Мосягина В.В. "Юному радиолюбителю для прочтения с паяльником". Почему именно на микросхеме? По тому-что описанный усилитель не требует вообще никакой настройки, что очень важно для первой конструкции...
Как спаять Усилитель на микросхеме К157УД1
Захотелось мне неожиданно спаять простой и громкий усилитель из старых, еще советских, журналов. Так как в Интернете схем их ЮТ и Радио завались и их делаю все, то выбор пал на этот журнал .... В котором и была показана схема аналогичная той, что на заставке.
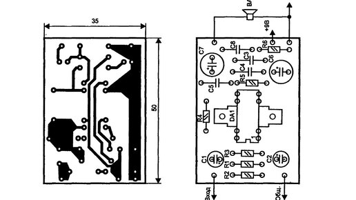
Схема довольно проста, кроме микросхемы К157УД1 она содержит шесть резисторов и восемь конденсаторов (я сам их подсчитал!). Но паять микросхему на столе или фанерке очень неудобно, так, что я решил подумать про печатную плату, тем более, что...