5 лет назад
Купил Ниву Урбан в люксовой комплектации. Рассказываю, что в неё входит(кондиционер,пластиковые бампера, электростеклоподъемники
Мы привыкли хаять отечественный автопром, что ж, он этого заслужил. Нынешним летом мы с супругой задумались о покупке нового атвомобиля. Выбор пал на Ниву Урбан, аппарат надежный, проверенный десятилетиями. Так как автомобиль, кроме поездок загород, используется и для семейных путешествий, комфорт тоже немало важен. Поэтому выбрали Ниву Урбан в комплектации Люкс. Когда мы слышим слово «Люкс», в голове представляется автомобиль с шикарным видом кузова и салона, напичканный всевозможными технологическими примочками...
559 читали · 5 лет назад
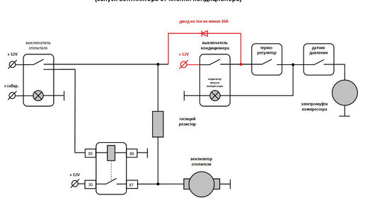
Нива Урбан - силовые реле для мотор-редуктора стеклоочистителя
___________________________________________________ ДОПОЛНЕНИЕ СПЕЦИАЛЬНО ДЛЯ ДЗЕНА (август 2024 года). Объясняю гадящим троллям и умникам желающим меня приземлить. Все мои записи на Дзене, я публикую не ради продвижения и саморекламы. Это "резервные копии" моих записей на DRIVE2 (ссылка), где приветствуются разного рода доработки и эксперименты увлечённых людей. Потому и стиль записей именно такой. Я стараюсь отвечать ВСЕМ (даже троллям) и принципиально ни чьи даже самые идиотские и гадкие посты НЕ ЗАТИРАЮ...