252 читали · 1 год назад
Фильтр помех магнитолы Teyes
Со звуком в Колеосе всё было нормально, помех почти не возникало. Но вот после подключения GPS и 4G антенн к сигнализации-пошли помехи из 2000-х годов. Это когда при звонке на сотовый старый компьютерные колонки издавали звук, помните такое?) Но вот от современной магнитолы такого не ожидал. Наводки были при звонке на сигнализацию. На Дастере нет такого, хотя у меня там антенны gps, gsm от сигнализации и антенны gps, gsm , wi-fi от магнитолы! Плюс транспондер)...
967 читали · 1 год назад
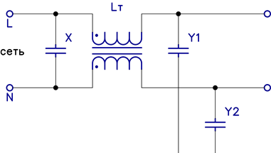
Устройство и принцип работы сетевого фильтра импульсного блока питания.
Ни для кого не секрет, что импульсные блоки питания вошли в нашу жизнь надолго и прочно. Сфера их применения затрагивает многие области радиотехники, от бытовой и компьютерной до промышленной техники. По сравнению с трансформаторными блоками питания импульсные блоки питания имеют ряд преимуществ. К таковым относятся меньшие габариты и вес за счет отсутствия силового трансформатора, более высокий КПД, который может достигать 95-98%, возможность работать в широком диапазоне входных напряжений в зависимости от типа используемой первичной сети...