22,2 тыс читали · 4 года назад
Описание схем простых блоков питания для начинающих радиолюбителей
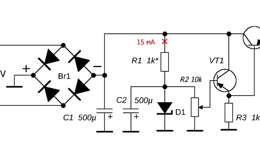
Каждый, кто решает заняться радиолюбительством, начинает, как правило, с источника питания для своих будущих схем. В этой статье приведены самые простые варианты стабилизированных боков питания. Схемы не сложны и собрать их не представит особого труда даже радиолюбителю без опыта...
16,3 тыс читали · 5 лет назад
Подборка интересных схем для радиолюбителей и начинающих самодельщиков!
Цветомузыка. Схема радиомикрофона на трех транзисторах, BC547 и pn3563. Схема радиомикрофона-жука на двух транзисторах КТ3102 и кт368бм. Автомобильный радиосторож на фиксированной частоте с датчиком качения на трех транзисторах КТ315 и кт368б...