Копируем китайский инвертор (схема) часть 4
Простые инверторы с чистой синусоидой (часть IV)
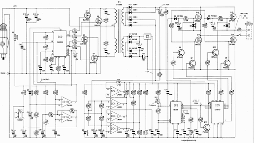
Схема инвертора (принципиальная схема на рис.1), описанного в первой части статьи, может быть модифицирована за счет
- ввода в схему инвертора защитных узлов
- повышения амплитуды синусоидального напряжения на выходе
инвертора.
В модифицированной схеме инвертора (рис.9 или упрощенная схема на рис.10) в качестве драйверов MOSFET могут быть использованы микросхемы IR2104 (U5, U6) или IR2186 (U7, U8) в корпусах (DIP-8/SOIC-8) - вместо IR2110/IR2113 (DIP-14/SOIC-14). Это может упростить компоновку...