Робототехника и программирование | VEX Robotics . Задания 1 - 10
Решение задачи второго курса.
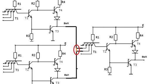
Напомню, сама задача здесь. Пояснение к правильному решению тут. Обзор решения первой задачи. Обратите внимание, тут такая ситуация, что в случае закорачивания выходов, как себя поведет микросхема. Вернемся к рассмотренному примеру ТТЛ логики. Как мы рассмотрели работу этого элемента, то видим, что транзисторы Т3 и Т4 не бывают открыты одновременно. Отсюда видим, если в параллель подключить выход еще одного элемента Тогда получается, что если Т3 открыт, то абсолютно не важно, что на выходе другой...
Робототехника. Реферат на тему
План: Введение 1) Поколения роботов. 2) История развития робототехники. 3) Применение роботов. 4) Развитие образовательной робототехники в России. 5) Цели и задачи курса Робототехники Введение Робототехника – это наука о создании и исследовании роботов, которые способны выполнять различные задачи, помогая нам в повседневной жизни. Робототехника сочетает в себе элементы механики, электроники, компьютерных наук и искусственного интеллекта для разработки и программирования автономных систем. Это одно...