06:44
1,0×
00:00/06:44
689,7 тыс смотрели · 4 года назад
956 читали · 3 года назад
Как устроена холодильная машина?
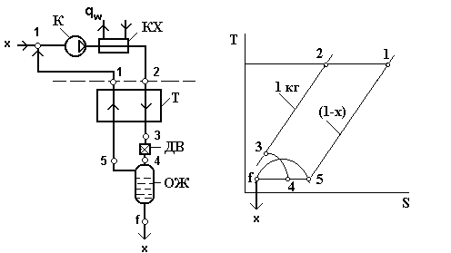
Охлаждение различных объектов – продуктов питания, воды, других жидкостей, воздуха, технических газов и др. до температур ниже температуры окружающей среды происходит с помощью холодильных машин различных типов. Холодильная машина по большому счету не производит холод, она является лишь своеобразным насосом, который переносит теплоту от менее нагретых тел к более нагретым. Основан же процесс охлаждения на постоянном повторении т.н. обратного термодинамического или другими словами холодильного цикла...
4 месяца назад
Холодильный коэффициент формула
Холодильный коэффициент (ε) – это безразмерная величина, которая характеризует эффективность работы холодильной машины или теплового насоса в режиме охлаждения. Он показывает, сколько теплоты машина "откачивает" от холодного тела на каждую единицу затраченной работы. Формула холодильного коэффициента выглядит следующим образом: ε=AQ0​​ Где: Q0​ (или Qхол​, Qисп​) – количество теплоты, отбираемое от охлаждаемого объекта (т. е. холодопроизводительность машины). Единицы измерения: Джоули (Дж) или килоджоули (кДж) для общего количества теплоты, или Ватты (Вт) / киловатты (кВт) для мощности охлаждения (т...