Формула использоваться для решения различных задач в области электротехники и электроники.
Формула "константой электросреды" и обозначим ее символом Ψ. Формула будет следующей: Ψ = ε^α * μ^β * σ^γ где: ε - диэлектрическая проницаемость среды, μ - магнитная проницаемость среды, σ - проводимость среды, альфа (α), бета (β) и гамма (γ) - коэффициенты, определяющие взаимосвязь между этими физическими величинами. Таким образом, константа электросреды...
3317 читали · 4 года назад
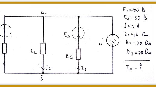
Метод двух узлов - подробное объяснение решения задачи. Электротехника ТОЭ
Метод двух узлов является частным случаем метода узловых потенциалов. Этот метод применяется в том случае, когда схема цепи состоит только из двух узлов. Во всех остальных случаях, применяют любой другой метод расчета сложных электрических цепей...